- Stock: Out Of Stock
- Model: BE-001328
- Weight: 150.00g
- MPN: BE-001328
DESCRIPTION:
FEATURES:
- Built in Taiwan's new scheme wifi
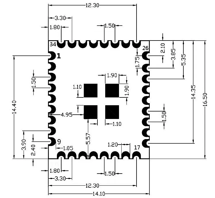
- Ultra small size, size only 14.1 x 16.5 x 2.25 mm ( nail size , not only the smallest size of the serial wireless lan module , but also the shortest serial wireless lan module with altitude )
- Ultra low power consumption ( outstanding power saving ) with wireless lan module
- 1st second of the start time
- 802.11 b / g / n protocol for perfect support
- Market to support all wifi ciphers
- With no user- driven , without user only usually serial mcu
- Support ap ( hot ) / sta ( wifi node)
- Support tcp server / tcp client / udp server / udp in client mode
- Support dhcp dns http Advanced application layer protocol
- Serial port support at instruction set ( support serial configuration tool )
- Lan Support Search Protocol Search Module
- Support smartlink intelligent network function , use app control module key to connect to mobile phone common wireless router
- Through ce / fcc authentication , rohs standard along
TECHNICAL SPECIFICATION:
As a basic parameter
Network standard
Wireless standard : ieee 802.11 n , ieee 802.11 grams , ieee 802.11 b
Wireless transmission rate
11n: Up to 150 mbps
11 grams: up to 54 mbps
11b: Up to 11 mbps
Number channel
1-14
In the frequency range
2.4-2.4835 g
Transmission power
12-15 DBM
interface
Serial port , gpio
antenna
Type of antenna
To an external antenna
Function parameters
Wifi working mode
Wireless network card / wireless access point
Wireless security
Wireless security function
64/128/152 bit wep encryption
Wpa-psk / wpa2-psk , wpa / wpa2 Security Mechanism
Serial network
To the maximum transmission rate
115200 bps
Tcp connection
Maximum number of connections 4
Udp connection
Maximum number of connections 4
Other parameters
Status indicator
Status display
Environmental standard
Working temperature: -20 to 70 degrees
Humidity: 10% - 90% rh ( not condensed )
Storage temperature : -40 to 80 degrees
Storage humidity : 5% - 90% rh ( no condensation )
Other properties
Band selectable bandwidth : 20 Mhz , 40 Mhz , automatic

PACKAGE INCLUDED:
1 X BOARD
1 X ANTENNA
1 X 5V ADAPTER




































